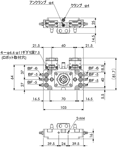
TOOL CHANGER(ROBOT SIDE)
- Product Code: 140275
- Model: OX-SBH
- Weight: 440.00g
-
RM1,824.44
40
Related Products
MANUAL AIR VALVE PUSH SLIDE BUTTON
Product Code: 152306
Model: PBW1-E
Weight: 75.00g
Substitute for №300369 41PP..
